57HBM20-1000

57系列两相简易伺服电机内置增量式光电编码器,适配雷赛简易伺服驱动器,彻底解决开环步进电机丢步的问题,提升机器加工速度和精度。通过优化的磁路设计,选用优质冷轧硅钢片和耐高温永磁体材料,提高电机功率密度,提升电机平稳性,显著降低电机温升。
功能特性:
机座号:57
保持转矩:1.0~2.0NM
内置1000线增量式光电编码器
输出转矩大
电机发热小,能耗低
运行平稳,振动噪声小
响应速度快,适合频繁启停
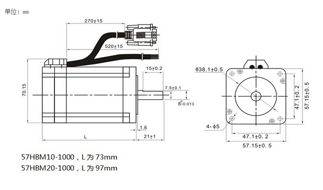
尺寸说明:
技术参数:
1.一般规格
|
温升 |
80K |
|
使用环境 |
温度:-10~+50℃;湿度:85% MAX |
|
绝缘等级 |
B |
|
绝缘电阻 |
100MΩ MIN 500VDC |
|
耐电压 |
1000VAC 1min |
|
径向跳动 |
0.025 mm MAX(负载5N) |
|
轴向跳动 |
0.075 mm MAX(负载10N) |
2.技术规格
|
电机型号 |
保持转矩(N·M) |
额定相电流(A) |
机身长(mm) |
转子转动惯量 |
电机质量(kg) |
|
57HBM10-1000 |
1 |
4 |
73 |
0.27 |
1 |
|
57HBM20-1000 |
2 |
4 |
97 |
0.47 |
1.3 |
电气连接:
4
上一篇:57HBM10-1000
下一篇:60HBM30-1000
